Bỏ qua để đến Nội dung

Quản Lý Năng Lượng & Nhiệt Độ Hiện Đại Cho Ô Tô: Tối Ưu Hiệu Năng, Tăng Tuổi Thọ

Dù là xe điện, hybrid hay sử dụng động cơ xăng truyền thống, tất cả đều có một yêu cầu sống còn: kiểm soát nhiệt độ các bộ phận ở mức tối ưu. Việc quản lý tốt năng lượng và nhiệt độ giống như chỉ huy một dàn nhạc, nơi mà từng bộ phận phải phối hợp chặt chẽ để tạo nên trải nghiệm lái xe hoàn hảo. Nếu mọi thứ vận hành ổn định, người sử dụng hầu như không để ý, nhưng khi có sự cố nhỏ, hiệu suất và sự thoải mái bị ảnh hưởng ngay lập tức.

Tối Ưu Hóa Quản Lý Năng Lượng và Nhiệt Độ cho Ô Tô Hiện Đại

Phương pháp truyền thống – phát triển riêng biệt từng hệ thống làm mát, hệ động lực, điều hòa cabin... – ngày nay không còn phù hợp. Điều này giống như xây nhà mà mọi đội thi công làm việc tách biệt, thiếu đồng bộ, từ đó tiêu tốn nhiều năng lượng và thiếu hiệu quả tổng thể.

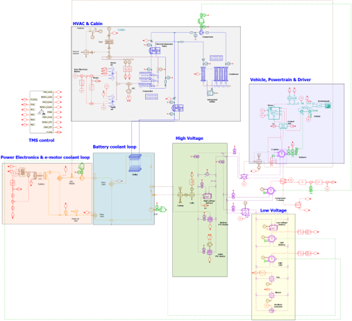
Giải pháp tích hợp VEM-VTM của Simcenter bao quát mọi giai đoạn phát triển từ yêu cầu, đánh giá, xác lập kiến trúc và kích thước, đến kỹ thuật linh kiện và tích hợp hệ thống.

Những giải pháp tích hợp như Simcenter mang đến cái nhìn toàn diện từ giai đoạn đầu dự án, thông qua các công cụ mô phỏng tiên tiến. Nhờ đó, kỹ sư cơ khí – chế tạo có thể phát hiện và giải quyết các vấn đề tiềm tàng mà không cần tạo mẫu vật lý.

1 – Đánh Giá và Xác Lập Mục Tiêu Quản Lý Năng Lượng & Nhiệt (VEM)

Tại các trung tâm chuyên biệt VEM, kỹ sư lắp cảm biến vào xe thử nghiệm để ghi nhận toàn bộ dòng năng lượng – cơ, điện và nhiệt – khi vận hành ở các điều kiện như di chuyển đô thị, khởi động lạnh, sạc pin... Dữ liệu thực tế này hình thành nên mô hình số (digital twin), giúp thử nghiệm linh hoạt các phương án tối ưu trước khi áp dụng lên thực tế.

Tham quan trung tâm VEM ảo của Simcenter tại Lyon, Pháp.

Từng chi tiết – dung lượng pin, hệ thống HVAC, vị trí thiết bị – đều được kiểm tra trên bản sao số để đánh giá tác động thật trước khi hoàn thiện thiết kế xe.

2 – Định Nghĩa Kiến Trúc Xe

Giai đoạn này tập trung đưa ra các yêu cầu hệ thống và xác định kích thước cơ bản để đáp ứng mục tiêu vận hành. Việc lựa chọn cấu trúc truyền động, cấu hình hệ thống làm mát/nhiệt, dung lượng pin, công suất động cơ điện và nhu cầu tản nhiệt đều dựa trên dữ liệu thực nghiệm và mô hình nhà cung ứng.

Kỹ thuật tạo sinh kiến trúc hệ thống quản lý nhiệt trên Simcenter Studio.

Phương pháp này giúp doanh nghiệp phát hiện sớm các bài toán tích hợp, nâng cao hiệu quả sáng tạo, đồng thời rút ngắn tiến trình phát triển xe tiết kiệm năng lượng.

3 – Thiết Kế Kích Thước và Phát Triển Hệ Thống

Xác định kích thước cho VEM chính là xây dựng "bản đồ" năng lượng lý tưởng cho xe. Kỹ sư phải trả lời những câu hỏi như: Bộ lưu trữ năng lượng đáp ứng hành trình bao xa? Động cơ điện cần mạnh đến mức nào? Hệ thống làm mát có đủ duy trì nhiệt an toàn? Mỗi mắt xích đều phải tương thích hoàn hảo – chỉ cần sai lệch cũng làm giảm hiệu năng toàn bộ hệ thống.

Tiếp cận tổng thể ngay từ đầu bằng Simcenter Amesim giúp đảm bảo bài toán nhiệt được giải triệt để xuyên suốt quá trình phát triển xe.

Mục tiêu quan trọng là tìm ra điểm cân bằng để từng yếu tố vận hành trôi chảy, tiết kiệm mà vẫn đáp ứng khắt khe các tiêu chuẩn kỹ thuật.

4 – Kỹ Thuật Chi Tiết Cho Từng Linh Kiện

Nhiều linh kiện trên xe hoạt động ở nhiệt độ cực cao, có thể lên tới vài trăm độ C. Nếu không quản lý nhiệt hiệu quả, các bộ phận dễ hỏng, gây nguy hiểm và tăng chi phí bảo trì.

Dự đoán và phân tích phân bố nhiệt trên động cơ truyền động bằng mô phỏng.

Giải pháp Simcenter hỗ trợ kỹ sư dự báo chính xác từng đặc tính nhiệt, lên kế hoạch làm mát hiệu quả, bảo đảm pin xe điện luôn vận hành trong dải nhiệt tối ưu để đạt sức mạnh và tuổi thọ cao.

Thiết kế luồng khí trong khoang lái từ hệ thống HVAC để tối ưu hóa sự thoải mái cho người ngồi.

Không chỉ vậy, các công nghệ mô phỏng tích hợp còn tối ưu cả cảm giác thoải mái trong khoang lái mà vẫn duy trì hiệu năng tổng thể – lợi thế lớn cho các dòng xe cao cấp ngày nay.

5 – Tích Hợp Toàn Bộ Hệ Thống Xe

Một chiếc xe hiện đại chỉ thực sự hoàn thiện khi tất cả các hệ thống năng lượng, nhiệt, cơ khí phối hợp chặt chẽ từ đầu. Nếu phát triển rời rạc, mỗi lần phát hiện lỗi có thể dẫn đến sửa chữa tốn kém và mất thời gian.

Các giải pháp mô phỏng hiện đại giúp phá vỡ rào cản giữa các nhóm kỹ thuật, kết nối mượt mà dữ liệu và quy trình. Nhờ chuỗi dữ liệu số (digital thread), mọi nhóm liên tục cập nhật và điều chỉnh giải pháp tối ưu cho toàn hệ thống, thay vì chỉ tối ưu bộ phận riêng lẻ.

Simcenter Amesim cho phép kết nối mô phỏng luồng khí 3D, hiệu quả hệ thống HVAC, động học nhiệt động cơ và chiến lược kiểm soát nhiệt – tạo nên giải pháp tổng thể chính xác từ đầu tới cuối.

Bước Tiếp Theo Cho Quản Lý Năng Lượng – Nhiệt Độ Xe Hiện Đại

Các dòng xe ngày càng thông minh, quy trình phát triển xe cũng phải hiện đại hóa tương ứng. Xóa nhòa rào cản kỹ thuật và ứng dụng giải pháp tổng thể như Simcenter sẽ giúp các kỹ sư cơ khí, kỹ thuật CAD/CAM phối hợp chặt chẽ, đồng thời tối đa hóa hiệu quả trong quản lý và tối ưu hóa năng lượng – nhiệt của xe.

Bạn là kỹ sư cơ khí, CAD/CAM hoặc đang làm việc trong lĩnh vực chế tạo ô tô – muốn tối ưu hóa hệ thống năng lượng và quản lý nhiệt cho phương tiện hiện đại? Đội ngũ chuyên gia của chúng tôi sẵn sàng hỗ trợ tư vấn kỹ thuật, ứng dụng các giải pháp mô phỏng tiên tiến hàng đầu. Liên hệ ngay để nhận báo giá và trải nghiệm dịch vụ tư vấn tận tâm, giúp rút ngắn thời gian phát triển sản phẩm và tăng hiệu quả vận hành!
Quản Lý Năng Lượng & Nhiệt Độ Hiện Đại Cho Ô Tô: Tối Ưu Hiệu Năng, Tăng Tuổi Thọ
4 tháng 11, 2025
Chia sẻ bài này
Thẻ
Lưu trữ
Simcenter Culgi 2505 ra mắt: Bước tiến về tốc độ và độ chính xác trong mô phỏng phân tử